Fundamentals of volatile memory technologies
BY BRIAN DIPERT
Principal
Sierra Media
RAM, i.e., “random access memory,” is a commonly interchanged term for “volatile memory,” i.e., memory that loses its stored data when power is removed. Yet RAM is not an acronym with which I'm particularly fond. Several decades ago when first coined, it admittedly was reasonably accurate, in contrast to ROM (read-only memory). ROMs, specifically mask ROMs (programmed at the fab) and PROMs and EPROMS (programmed in dedicated lab bench hardware, or on an assembly line), were random-location readable but not random-location writeable, at least in-system. RAMs, on the other hand, could be randomly read and written, thereby leading to the more general “random access” qualifier.
But then came EEPROMs, which like RAMs were randomly readable and writeable, but were also nonvolatile (i.e., they retained stored information even in the absence of applied power). Next to arrive were flash memories, whose data you could program (i.e., change from 1 to 0) on a random per-bit basis, although returning 0s to 1s was a block-based erase operation. FRAMs (ferroelectric RAMs) and MRAMs (magnetoresistive RAMs) are also nonvolatile, as (arguably) are battery-backed SRAMs (static RAMs). So for this writeup, I'm instead sticking with the term “volatile memories,” since after all, even a battery-backed SRAM's stored data disappears once the battery fails.
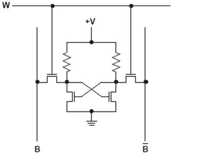
Specifically, I'll discuss SRAMs and DRAMs (dynamic RAMs). Next month's Fundamentals piece will cover conventional nonvolatile memories such as EEPROM and flash memory. And I'll save specialty memories such as FRAM and MRAM for future Fundamentals highlight. SRAMs are known as “static” because, once you store data to them, you need to do nothing aside from continue to provide power in order for that data to remain intact. Two contending cell designs traditionally dominated SRAM architectures; the 4T2R (four transistor, two resistor) structure, which often stacked the resistors in the interconnect layer above the transistors for the most compact cell size:

Fig. 1: The 4T2R SRAM cell was initially smaller, but is more power-hungry and less reliable than its 6T counterpart.
and the historically larger, but lower-power-consuming 6T (six-transistor) approach:

Fig. 2: The ascendant 6T SRAM cell only demands tangible current draw when switching the stored data state.
I say historically because not only does the 6T structure swap out the 4T2R pullup/down resistors' passive load (which incurs constant leakage current flow even for deselected cells) for an active load that only consumes tangible power when switching state, it also more effectively scales in size with advancements in semiconductor processes, translating to a smaller cell size than the 4T2R predecessor with modern lithographies. Plus, the 6T cell is inherently more immune to the bit-flipping effects of bombardment by alpha particles, cosmic rays and the like. So-called soft errors can be mitigated by ECC (error-correcting code) schemes, for both SRAM and DRAM, but the required incremental memory and logic resources are often cost-prohibitive.
Speaking of power consumption, next consider the DRAM, which if anything is even more volatile than its SRAM sibling. The word “dynamic” in its name refers to the fact that even with a stable power supply feeding the device, the data stored in each cell must be periodically refreshed, i.e., read out and then written back, simplistically speaking. Otherwise, 1s will eventually become corrupted, reverting to 0s. For the reason why, take a look at a DRAM cell:

Fig. 3: The DRAM cell's simpler structure leads to dramatically higher capacities versus SRAM, but it requires periodic refresh in order to preserve stored 1s.
The cell's capacitor stores the data state; a capacitor containing greater-than-default stored charge translates to a 1 when the cell is read. However, since the capacitors are non-ideal, they “leak,” thereby explaining the need to periodically rewrite (e.g. recharge) them. The refresh operation typically happens one row at a time and is either instigated by a specific external interface signal transition sequence or is invisibly handled by an integrated refresh controller (in the so-called “1-T SRAM,” more generally known as a PSRAM, i.e., pseudo-SRAM).
So why bother with such a seemingly crippled memory technology? The answer's fairly simple; a DRAM's cell size is substantially smaller than that of either previously discussed SRAM cell, translating to a far more dense DRAM for a given-sized sliver of silicon. On the other hand, because the data is being read from or written to a passive capacitor versus an active transistor structure, among other reasons, DRAM random access times are roughly an order of magnitude slower than those of high-speed SRAMs.
These cell size and speed disparities have led to a multi-memory hierarchy commonly found in modern system designs; one or multiple levels of SRAM-based cache, differentiated from each other by capacity and speed, with substantially more abundant but slower DRAM behind the cache(s). And behind the DRAM is even more cost-effective but less flexible nonvolatile storage; single-transistor NOR and/or NAND flash memory, for example, or a HDD, or an optical drive. In modern times, the single- or multi-level SRAM cache and corresponding controller logic is typically integrated within a microprocessor versus continuing to exist as one or multiple standalone memory devices.
The conventional SRAM interface provides standalone address and data buses, along with read and write strobe signals. As CPUs' system buses became synchronous (i.e., clock phase-driven), the SRAM bus evolved in sync (pun intended), and more recent DDR (double data rate) variants input (write) and output (read) data on both phases of the common interface clock. Conventional DRAMs multiplex the row and column addresses on a common set of pins, among other reasons to reduce the die and package's required pin count and size; I/O-defined die dimensions inherently “waste” silicon and are therefore avoided whenever possible. Address multiplexing is also reflective of the fact that sequential accesses within a given row's “page” are faster than random accesses spanning multiple pages.


Fig. 4: Consecutive read (a) and write (b) operations within a common pre-charged row (i.e., “page”) can occur much faster than when the sequential accesses span multiple pages.
The RAS (row address strobe) and CAS (column address strobe) inputs enable the system to inform the memory device which portion of the address is currently being provided. First-generation asynchronous DRAM required input of both the row and column address for each access, while the successor fast page mode DRAM enabled the system to hold RAS active and toggle CAS for faster successive accesses to a common page's contents. A minor subsequent evolution, the EDO (extended data out) DRAM, held the previous CAS's output data active even after CAS was disabled, until CAS was again activated (or alternatively, RAS was disabled), thereby enabling read access pipelining for faster overall throughput.
As with SRAM, DRAM then transitioned from the asynchronous to synchronous (SDRAM) interface, and subsequently to several generations' worth of DDR devices. DDR1, DDR2 and DDR3 SDRAMs' varying core and I/O operating voltages lead to altered “high” and “low” thresholds; other evolutionary feature set tweaks have also appeared. Ironically, the inherent random read and write access speeds for both SRAM and DRAM have remained essentially unchanged over the years. Fortunately, Moore's Law trends have enabled the cost-effective integration of dramatically higher amounts of on-memory logic and routing resources over time. The resultant evolutionary access scheme leverages parallel read and write to an increasingly large number of DRAM locations, with speedy on-chip buffers in-between the slower DRAM cells and the system. Such an approach is feasible because a CPU's cache controller's access profile is predictable, thereby enabling the on- DRAM access pattern to match it.
Whereas conventional DRAMs are intended for use in large multi-component arrays, with multiple devices' address and data pins connected to common system I/O traces, the buses for graphics and other specialty applications are more point-to-point in nature. As a result, the decreased impedance loading enables faster “high” to “low” (and visa versa) transitions, leading to somewhat faster access speeds. Even more application-specialized memories include the multi-port RAM, which as the name implies enables simultaneous access to multiple memory locations, and the networking-embraced CAM (content-addressable memory), which simplistically speaking is an SRAM in reverse; you provide a data string, and it tells you which memory location(s) contain that data. And reduced impedance loading can also be of benefit within a device; the RLDRAM (reduced latency DRAM) and FCRAM (fast cycle RAM) subdivide the memory array into multiple sub-arrays, trading off die size overhead for speed. ■
Advertisement
Learn more about Electronic Products Magazine





