LED-driving apps using hysteretic converters
To fully exploit the hysteretic converter’s features, close attention must be paid to thermal management and EMC considerations
BY SILVESTRO RUSSO
Zetex
Hauppauge, NY
http://www.zetex.com
The use of LEDs to provide lighting in a wide range of applications is rapidly increasing. In order to maximize the efficiency improvements LEDs provide, LEDs must be driven from switching regulators rather than power-hungry linear circuits. One of the most versatile inductive switching topologies is the hysteretic converter, and the selection of the right driver is fundamental to fully taking advantage of its features.
High-brightness LED lighting
High-brightness LEDs (HBLEDs) are emerging as the lighting devices of the future because of improvements in the fabrication process and the increase in the devices’ efficiency. HBLEDs are usually segmented on the market by current ratings, such as 350 mA, 700 mA, 1.5 A, up to 2.5 A. Efficiency increases on the order of 100 lumens/W make these devices comparable with existing lighting solutions in terms of light output achievable.
Efficiency, flexibility, installation, and maintenance are the main advantages of LED lighting solutions. Higher efficiency means higher lumen output, or in other words a better transformation of input power into light output, allowing much better energy savings. A typical example is the MR16 application, where a 5-W LED application is equivalent to a 21-W halogen one. In addition, LED lighting solutions allow designers to increase the level of flexibility in its luminary design as well in architectural installations, thereby improving creativity. Finally, LED lighting solutions have proven to be very effective in applications where the main issue is the cost of maintenance and not just the cost of installation. Typical examples of critical maintenance applications are street lighting, airport lighting, and lighting in risky environments such as tunnels or mines.
LED lighting presents several advantages, but poses some challenges that need to be addressed, such as control and thermal management. HBLED for lighting solutions require an accurate control of the current in order to deliver the right amount of lumens at the right wavelength.
The light output is usually controlled by employing a PWM dimming technique instead of a linear reduction of the current, since this allows control of the spectrum of emission more accurately. This means that the system designer will look both at the current control accuracy and the PWM dimming ratio.
Moreover, the second big challenge with HBLEDs is thermal management. This is different from the lossy incandescent bulbs, where the power supplied is mainly irradiated in the infrared spectrum: in HBLEDs the excess heat needs to be conducted away. Thermal management influences the lifetime of the LED as well as the color and luminous efficacy, and can be improved using good heat sink design and employing controllers able to derate the LED current when the temperature rises above a set threshold.
Hysteretic converters
The LED circuit control could be designed using several approaches, ranging from a linear controller to a switching one, while looking for the best trade off between efficiency, simplicity, stability and EMI requirements. Among the different switching solutions, the hysteretic converter has emerged to be the one of the most promising solutions for LED lighting systems.
The hysteretic converter is essentially a switching topology and can be used in buck, boost, or buck-boost configurations. Moreover, its inherent stability makes it particularly suitable for step-down LED driving applications.
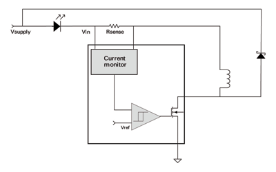
The most important section of the system, as highlighted in Fig. 1 , is a comparator with a predetermined hysteresis that defines the LED current control. The current in the LED is measured with a resistor and ramps up and down to the limits set by the comparator.
The level chosen for the limits is a tradeoff between measurement accuracy/noise immunity and efficiency. Hysteretic converters are, however, always running in continuous mode, which means the inductor never saturates or is completely drained of current.
This inherent stability means hysteretic controllers operate over a wide input and output voltage range. They do not require compensation with external components, and are not limited to duty cycle ranges as with many PWM topologies. Moreover, hysteretic converters are self-oscillating, which means the frequency varies due to input voltage, LED current, and how many LEDs are being driven.

Fig. 1. A hysteretic converter, in a basic step-down configuration, is an important section of an LED lighting system.
Having system stability, accuracy and simplicity as a target, hysteretic LED drivers allow luminary designers to fully exploit the main advantages of hysteretic converters in HBLED driving applications. The device choice can be made by looking at the input voltage, LED current, number of LEDs to be driven, and switching topology. Examples of suitable parts are highlighted in the table .

As a design example, the ZXLD1350/60/62 drivers simplify high-power LED-driving design, since they require a single external resistor to set its output current, with a typical accuracy of ±4%. The use of TSOT23-5 package and the reduced number of external component means this switching regulator will fit even the most space-starved application, such as an MR16 enclosure, achieving efficiency as high as 95%.
A multifunction pin is useful to perform a dc or PWM dimming function, soft-start function or, using and external network and an NTC, it allows the setup of thermal feedback. Hysteretic converters can be used also in common anode configurations (see Fig. 2 ). This provides the benefits of a standard buck configuration reduced wiring and better thermal performance since the LED anode is directly connected to the supply voltage. The main drawback of the common anode is the supply voltage has to be VLED + VIN .

Fig. 2. A hysteretic converter in a common anode configuration provides the benefits of a standard buck configuration.
The ZXLD132X inductive dc/dc hysteretic converter series drive single or multiple LEDs with currents from 700 mA to 1.5 A, in buck, boost and buck/boost configurations. Employing a variable on and off time control scheme with an adjustable peak switch current limit, the chips are simpler to control than alternative PFM solutions.
The drivers enable users to set independently both LED current and peak inductor current. For portable and low-voltage applications, the feedback control circuit ensures excellent load and current regulation, resulting in LED current stability of typically ±3% LED. The current can be adjusted by either using a dc dimming or a PWM input control signal. The devices are housed in a thermally effective DFN package They also feature a thermal control circuit that monitors a simple external NTC in order to linearly reduce output current once temperature exceeds a predetermined threshold.
Application example
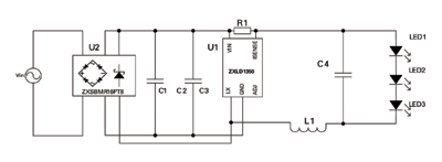
The MR16 solution is the best example of how a hysteretic converter using a Zetex driver allows a robust and simple application with reduced component count.

Fig. 3. In a lighting solution using a hysteretic converter, a system drives three 1-W LEDs for a MR16 replacement application.
The LED driver is simply implemented by a switching buck regulator employing the ZXLD1350 hysteretic current controller with the dedicated ZXSBMR16PT8. The ZXSBMR16PT8 contains five Schottky diodes, four of which perform the input bridge to allow the ac input and the fifth is used as the free-wheeling diode for the dc/dc converter.
The low-leakage characteristics of these Schottkys ensure reliable operation at the elevated ambient temperature within the MR16 housing. Two input energy storage SMD tantalum capacitors, C1 + C2 , of total value 300 µF have been optimized as the minimum capacitance in terms of efficiency and LED current accuracy. A screened inductor L1 is selected to minimize the radiated EMI from the switching operation. The system displays efficiency higher than 85% in dc operations and 60% in ac operations. In the last case, the ripple on the driver input voltage can be used to improve the EMI performance, because of the natural dithering associated with hysteretic converter’s input-voltage-dependent frequency. ■
For more on hysteretic converters, visit http://www2.electronicproducts.com/AnalogMixICs.aspx.
Advertisement
Learn more about Zetex





